


GPS Speedometer KMs gauge kit (Black Sterling)
Description
This listing is for a set of 6 high quality gauges MANUFACTURED IN THE USA with EXACTLY similar dials and bezels plus all required senders and adaptors:
- Speedometer: 86mm gauge, 0-200KM range with LCD odometer display. The GPS speedometer provides accurate speed readings. This kit includes a GPS receiver to go along with this Speedometer. These Speedometers are designed for marine applications.
- Tachometer - 86mm, Electronic. 0 - 7000 RPM, Can be programmed for 4, 6 or 8 cylinders.
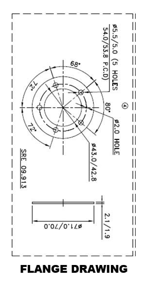
- Fuel gauge - 52mm electrical gauge WITH matching sender which can be adjusted to be used for fuel tanks between 7 and 24 inches depth. Fuel sender Mounting Method: SAE 5 hole pattern, flange diameter 71mm (please see attached photo for detailed dimensions).
- Water temp gauge - 52mm electrical gauge, Range 40 -120C with matching sender.
- Oil pressure gauge - 52mm electrical gauge, Range 0 - 80Psi with matching sender.
- Voltmeter - 52mm electrical gauge, Range 8 - 18V.
These gauges have scratch-resistant lenses, corrosion resistant bezels and brass terminal connectors. These are illuminated for excellent night visibility. These gauges are suitable for marine applications. In case you are using them for automotives - please consult an auto-electrician to confirm licensing requirements. THESE GAUGES ARE ALSO LISTED INDIVIDUALLY. Warranty Statement: Veethree warrants these products to be free from defects for a period of FOUR years from the date of original retail purchase. Veethree's sole responsibility under this warranty is limited to the repair or replacement of product which is, in Veethree's opinion, defective. We will have no obligations under this warranty for any product which:
- has been improperly installed
- has been damaged due to an accident or abnormal operation including racing or alterations outside our factory
WE OFFER COMBINED SHIPPING OPTIONS. ALL ITEMS AVAILABLE IN NZ.
Questions & Answers
Buy Now
$995.00
Or four interest-free payments of $248.75 (plus shipping) with
$995.00
No bids